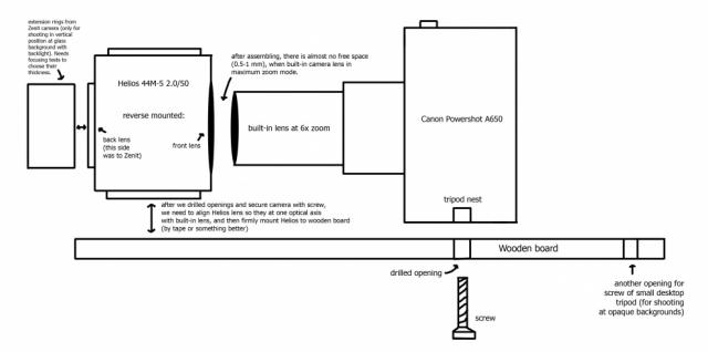
Snowflake Photography by Alexey Kljatov Staff 08/11/2014 Pictures Comments4.1k 9 0Russian photographer, Alexey Kljatov, has constructed a homemade camera rig to capture close-up pictures of snowflakes. With only an old camera, boards and screws, he is able to capture snowflakes up close.[Source] 1234567891011121314151617 Share this post:Click to share on FacebookClick to share on TwitterClick to share on TumblrClick to share on PinterestClick to share on RedditClick to email this to a friend